低噪音,多应用
高性能
MS40+ 是 LC/MS 和 ICP-MS 仪器的首选前级泵
高过滤
MS40+ 单级油封旋片泵配备拥有可更换排气口过滤器元件的集成式排气/泵油过滤系统
高真空
该泵适用于高气体通量工作条件,并可实现 < 5-2 mbar 的极限压力
- 
            
                            工作原理- 高抽气量,体积小巧
- 变频驱动电机可调节抽速和压力,并降低功耗
- 在 10-2 mbar 压力范围内实现高压稳定性
- 提供 AVF Gold 和 Platinum 泵油
 
- 
            
                            技术参数
- 
            
                            性能图
- 
            
                            性能图
- 
            
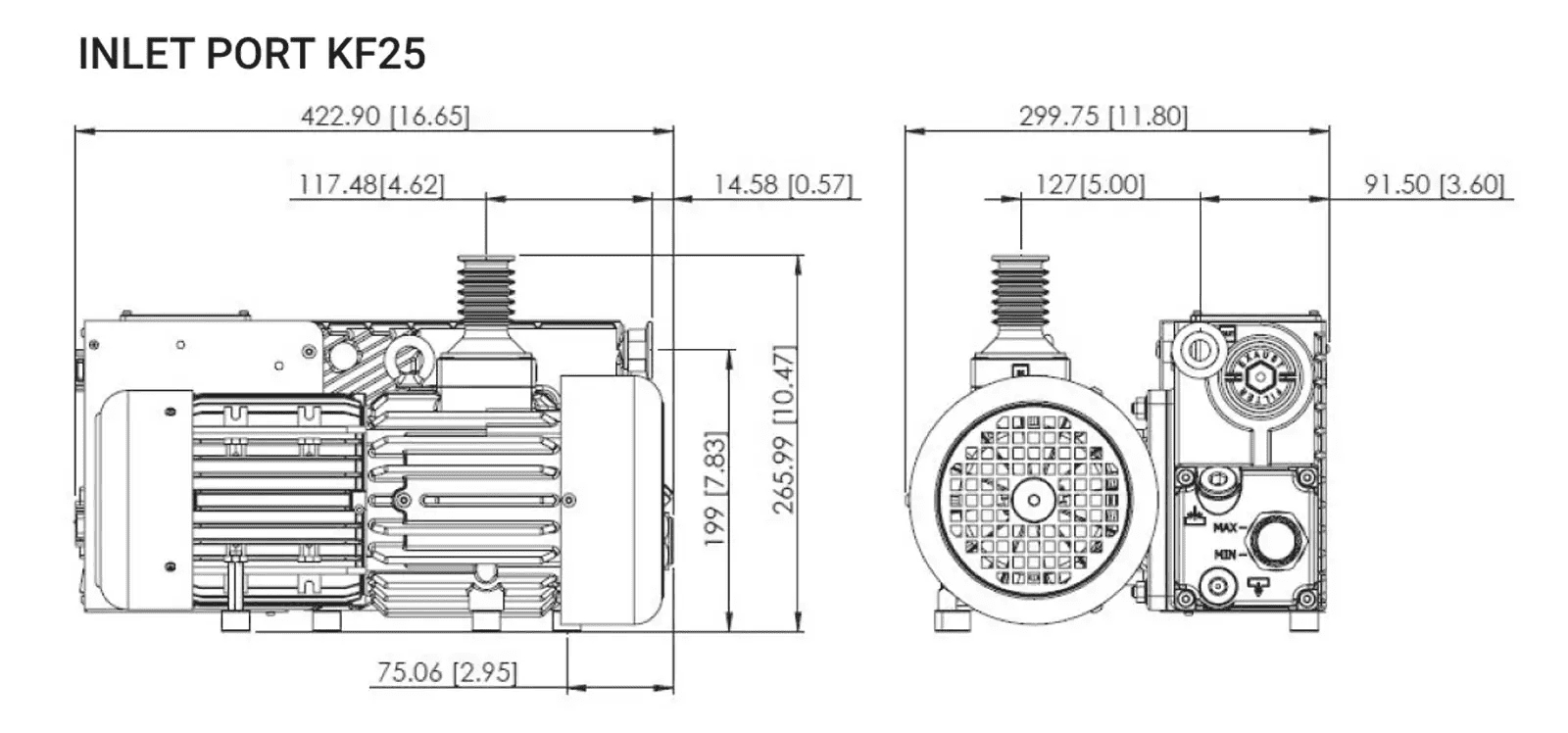
                            尺寸图
- 
            
                            尺寸图
- 
            
                            行业应用质谱- GCMS
- LCMS
- ICPMS
- MALDI
- RGA
- 表面科学
- 检漏仪
 高能物理- 过滤光束线
- 加速器
- 移动泵车
- 涡轮分子泵支持
- 激光抽空
 电子显微镜- TEM
- SEM
- 样品镀膜机
 样品制备- 凝胶干燥机
- 手套箱
- 旋转蒸发仪
- 离心机
 工业- 手套箱
- 涂层系统
- 冷冻干燥
- 气瓶灌装/清空
- 制冷系统制造
- 脱气/固化(油、环氧树脂)
 研究与开发- 腔室抽空
- 涂层系统
- 涡轮分子泵后备箱
 化工- 凝胶干燥机
- 手套箱
- 旋转蒸发仪
- 离心机
- 蒸馏/萃取/过滤
 
- 
            
                            下载

 
                                                                    
                            







 
						 
						 
						 
						 
						 
						 
						 
						 
						 
						 
						 
						 
						 
						 
						 
						 
						 
						 
						 
						 
						 
						 
						 
						 
						 
						 
						 
						 
						 
             
             
             
            