轻松维护 高温耐腐
更高的性能
模块化设计确保整个运行生命周期内的效率,同时实现IE4电机的卓越效率。
持久设计
这些新一代泵内部温度较低,延长唇口密封寿命并防止漏油。
更安静的运营
你需要的全部功率同时降低噪音——nEDC真空泵采用了重新设计的消音器,可以减少机器噪音。
-
工作原理
nEDC65-300 单爪干式真空泵是新一代性能驱动型产品,具有动力强劲和生产率高的优点。nEDC 基于上一代干式爪进行升级,得益于其更高抽速和可靠结构,可以保证低故障率和高性能。不管是在 OEM 机械领域还是最终用户市场,更小的占地面积和多功能性让其成为众多行业的理想选择。
此最新系列的真空泵以创新和效率为核心,能够可靠地帮助您改善运营。 -
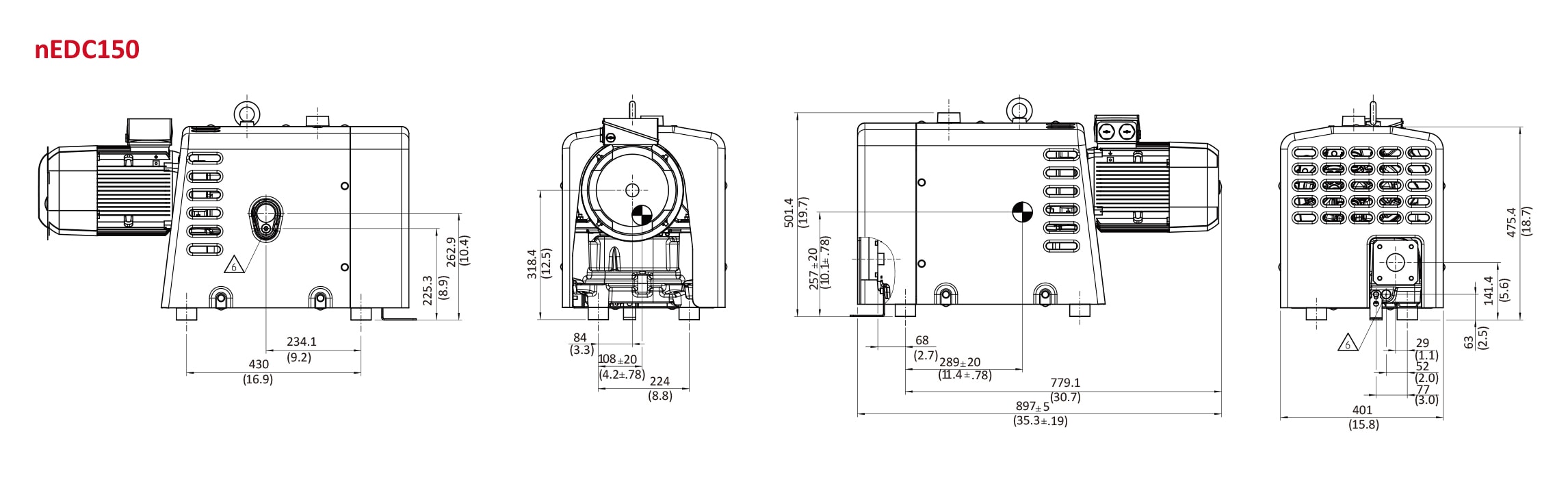
技术参数
-
行业应用
- 中央真空系统
- 塑料挤出
- 木材加工
- 真空输送
- 吸移夹持
- 干燥和脱气
- 印刷和纸张加工
- 医疗系统
- 乳品加工业产奶与输奶
- 热成型
- 废弃物排放
-
下载




