改进的性能、卓越的泵送能力
独特的设计
EDO 干式涡旋真空泵由高质量精密工程部件制成。我们的防旋转机构可减少关键点的应力,从而延长了运行寿命
保驾您的流程
入口单向阀可防止泵产生回流污染,保护您的流程。集成式空气过滤器可防止灰尘和固体颗粒进入。
易于维护
EDO 的内部易于清洁和保养。可拆卸前盖,一分钟之内即可轻松检修涡旋机构和进口过滤器。
-
工作原理
工业用 EDWARDS EDO65-100 干式涡旋真空泵是一系列紧凑型产品,它采用新型绕转涡旋技术,具有可靠、洁净、节能和模块化的优点。EDO 的核心部分是双进口泵级涡旋机构,可实现更高的产能。该泵可达到 1 mbar 的极限压力,专门在高压区提供恒定的抽气流速。
-
技术参数
-
性能图
-
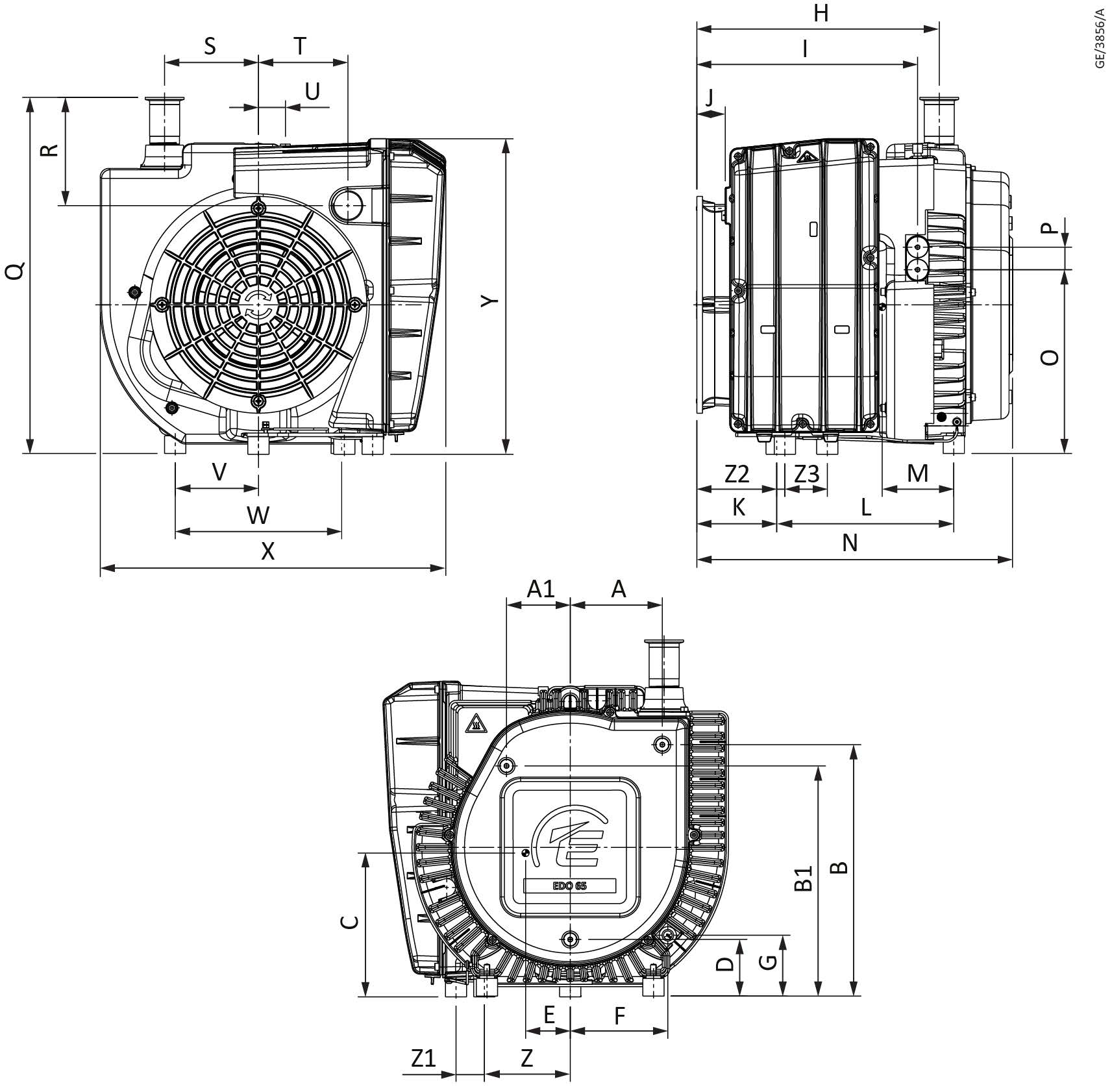
尺寸图
-
行业应用
- 吸移夹持
- PCB 制造
- 光纤生产
- 橡胶硫化
- 成型定型
- 抓握提升
- 电子设备测试
- 吸入器检测
- 真空脱气
-
下载






