改进的性能、卓越的泵送能力
巧妙的设计
可以在几分钟内完成维护,从而降低拥有成本并最大限度地延长正常运行时间。
优化端面密封
使用寿命发生显著变化,就大多数应用而言,典型的端面密封条使用寿命达到2年以上。
轴承罩
可确保将制程气体与轴承润滑剂相分离,以确保清洁的真空环境,并避免制程气体中的污染雾进入润滑剂中
-
工作原理
nXDS 干式涡旋泵具有卓越的抽气能力、极限真空性能和最先进的设计功能,性能居同类产品之首。
nXDS泵在其他涡旋泵的基础上进行优化,提高了抽速,获得了更高极限真空、更低功耗和噪声。借助气镇功能可以对可冷凝蒸气(包括水、溶剂、稀酸和碱)进行抽真空。nXDS泵还采用了优化的端面密封技术,显著延长了端面密封条更换的时间间隔。
nXDS-C是改进型,更适用于水蒸气以及某些具有腐蚀性物质的应用。这个耐化学腐蚀的版本是基于Chemraz®内阀以及不锈钢材料。nXDS-R型不带气镇,因此它不能被突然打开。它可应用于稀有气体的再循环或者气体回收。 -
技术参数
-
性能图
-
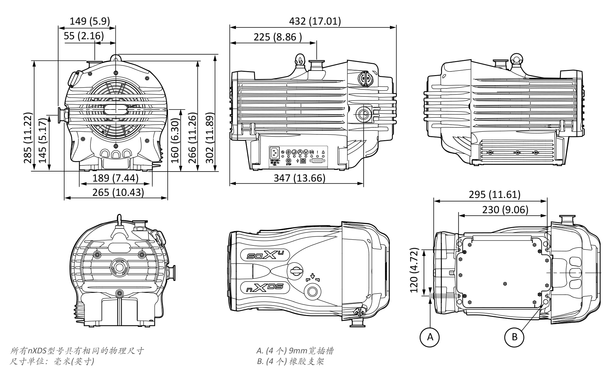
尺寸图
-
行业应用
质谱
- GCMS
- LCMS
- ICPMS
- MALDI
- RGA
- 表面科学
- 检漏仪
高能物理
- 过滤光束线
- 加速器
- 移动泵车
- 涡轮分子泵支持
- 激光抽空
电子显微镜
- TEM
- SEM
- 样品镀膜机
样品制备
- 凝胶干燥机
- 手套箱
- 旋转蒸发仪
- 离心机
工业
- 手套箱
- 涂层系统
- 冷冻干燥
- 气瓶灌装/清空
- 制冷系统制造
- 脱气/固化(油、环氧树脂)
研究与开发
- 腔室抽空
- 涂层系统
- 涡轮分子泵后备箱
化工
- 凝胶干燥机
- 手套箱
- 旋转蒸发仪
- 离心机
- 蒸馏/萃取/过滤
-
下载






