长期运行 稳定可靠
久经考验
在市场上经过 30 多年验证的设计。内置油过滤器,带有一次性油过滤器和强制油润滑,以确保泵机构在任何入口压力下高效、轻松地运行。
防爆选择
E2M Ex 系列用于泵送或在可能存在潜在爆炸性环境的环境中运行。Edwards 可以提供用于爆炸性环境和爆炸性环境的各种产品。它们通过了 ATEX 和其他适用的全球标准的认证。
多种选择
HC 系列与烃油适用于大多数应用,FX 系列用于泵送富氧气体混合物(PFPE 制备),AZ 系列适用于化学活性化合物应用(叠氮化物兼容)。
-
工作原理
工业 E2M 真空泵(40 至 275 m3/h)是坚固的两级旋片设计成熟的泵。 它们具有先进的润滑回路,以确保平稳运行; 并提供可选的重型附件,以适合广泛的应用。E2M 泵专为要求苛刻的应用而设计,已经证明可靠的长期性能,以实现低极限压力而闻名并且有很高的抽速。
-
技术参数
-
性能图
-
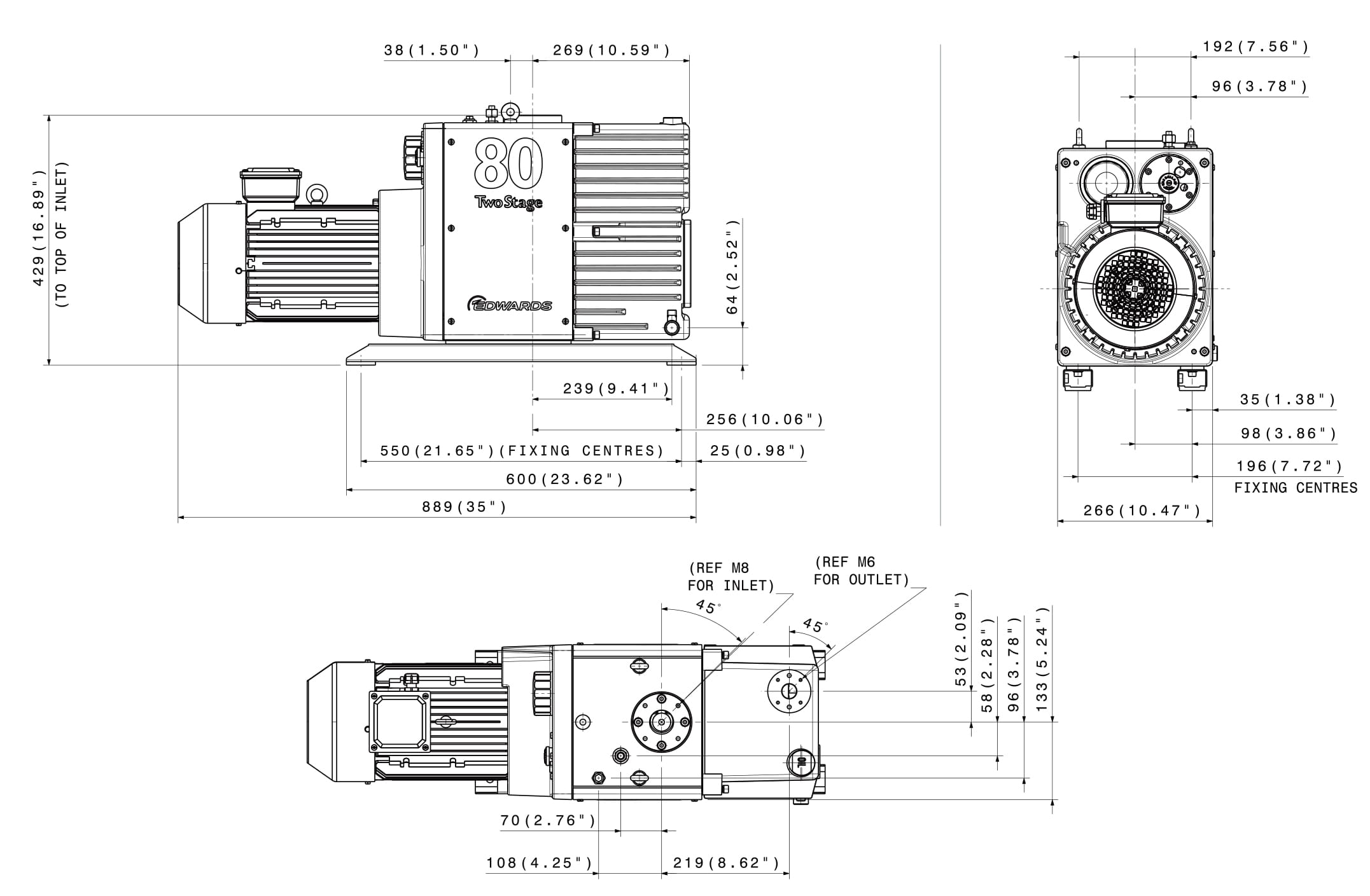
尺寸图
-
行业应用
- 制药冷冻干燥
- 镀膜应用
- 等离子体处理(包括使用 FX 系列泵送富氧等离子体)
- 热管散热
- 热处理化学加工行业(使用 Ex 系列进行蒸馏、蒸发、混合、过滤)
-
下载






