性能出色,应用广泛
稳定可靠
结构坚固耐用,高度耐用的叶片,久经验证的旋片技术,使用寿命长
性能出色
低压下仍具备高抽速,专为持续运行而设计
应用广泛
有多种型号可供选择,可以根据每位客户的要求和工艺轻松调整
-
工作原理
通过减小体积实现压力升高是旋叶式真空泵的工作原理。该设计可为压力、真空或两者组合提供出色的服务。转子偏心地放置在一个圆柱形壳体内,使其位于几乎接触圆柱体的顶部位置。转子叶片或旋叶位于转子槽内。当转子开始转动时,叶片在离心力的作用下被甩出,然后沿着圆柱体的内部表面滑动。这样,在两个叶片之间形成一个单体,体积在转动期间不断发生变化。空气从进气口进入到单体内,直至后方叶片到达进气口的远端。此时,单体已经达到其最大空气量。然后当单体从进气口移开时,其体积会变得越来越小,从而对空气压缩并且压力升高。一些机型在出气口旁配有排泄阀 ,可在达到最高压力后停止排出的气体回流。通过真空泵除油一次在油气混合物通过排气口与排气阀之后,会到达除油室,在此处分两步将油与气体分离。较大油滴通过机械方式与气体分离,最终在含油污泥受体内沉积。然后使剩余的油气混合物通过细滤芯,由其将甚至微小的油颗粒分离。然后将这些颗粒通过吸油管重新送入泵的油回路。可通过出气口或者其他软管或管道排布方式将基本上无油的气体排出。
-
技术参数
-
性能图
-
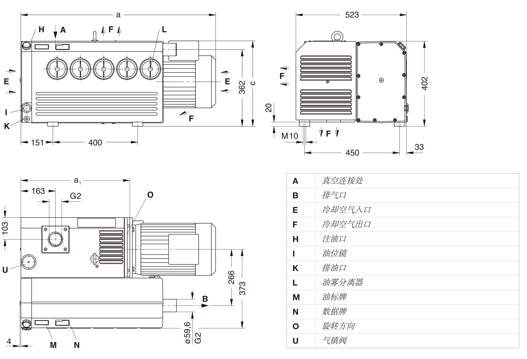
尺寸图
-
行业应用
分析和研发
- 冷冻干燥
- 蒸发
- 涂层
化工和制药
- 过滤
- 蒸发
- 蒸馏
- 冷冻干燥
- 干燥
- 溶剂回收
- 气力输送
食品加工
- 巴氏消毒
- 灭菌
- 肉类装罐机
- 冷冻干燥
- 骨粉加工
- 真空冷却
- 搅肉杯
- 切肉机
- 饮料灌装
医院和医疗设施
- 封闭式负压引流 (VAC)
- 医疗吸引手术
- 真空引流
- 中央真空系统
- 牙科抽吸系统
包装
- 吹塑成型
- 液体包装
- 钞票包装
- 吸塑包装
- 剪断机
- 装盒机
- 托盘上料系统
- 托盘封口机
- 热成型包装机
- 热成型包装机
- 独立式箱式包装机
塑料加工
- SSP 回收
- 真空装袋
- 气力输送
- 注塑成型
- 热成型
- 树脂传递成型
锂离子电池生产
- 拾取和放置
石油和天然气行业
- 管路干燥
木材加工
- 握持和吊运
工业零件清洗应用
- 真空脱油
- 真空环境下流水注入清洗
- 真空干燥
-
下载






